- Electrical Machines - Home
- Basic Concepts
- Electromechanical Energy Conversion
- Energy Stored in Magnetic Field
- Singly-Excited and Doubly Excited Systems
- Rotating Electrical Machines
- Electrical Machines Types
- Faraday’s Laws of Electromagnetic Induction
- Concept of Induced EMF
- Fleming's Left Hand and Right Hand Rules
- Transformers
- Electrical Transformer
- Construction of Transformer
- EMF Equation of Transformer
- Turns Ratio and Voltage Transformation Ratio
- Ideal Transformer
- Practical Transformer
- Ideal and Practical Transformers
- Transformer on DC
- Losses in a Transformer
- Efficiency of Transformer
- 3-Phase Transformer
- Types of Transformers
- More on Transformers
- Transformer Working Principle
- Single-Phase Transformer Working Principle
- 3-Phase Transformer Principle
- 3-Phase Induction Motor Torque-Slip
- 3-Phase Induction Motor Torque-Speed
- 3-Phase Transformer Harmonics
- Double-Star Connection (3-6 Phase)
- Double-delta Connection (3-6 Phase)
- Transformer Ratios
- Voltage Regulation
- Delta-Star Connection (3-Phase)
- Star-Delta Connection (3-Phase)
- Autotransformer Conversion
- Back-to-back Test (Sumpner's Test)
- Transformer Voltage Drop
- Autotransformer Output
- Open and Short Circuit Test
- 3-Phase Autotransformer
- Star-Star Connection
- 6-Phase Diametrical Connections
- Circuit Test (Three-Winding)
- Potential Transformer
- Transformers Parallel Operation
- Open Delta (V-V) Connection
- Autotransformer
- Current Transformer
- No-Load Current Wave
- Transformer Inrush Current
- Transformer Vector Groups
- 3 to 12-Phase Transformers
- Scott-T Transformer Connection
- Transformer kVA Rating
- Three-Winding Transformer
- Delta-Delta Connection Transformer
- Transformer DC Supply Issue
- Equivalent Circuit Transformer
- Simplified Equivalent Circuit of Transformer
- Transformer No-Load Condition
- Transformer Load Condition
- OTI WTI Transformer
- CVT Transformer
- Isolation vs Regular Transformer
- Dry vs Oil-Filled
- DC Machines
- Construction of DC Machines
- Types of DC Machines
- Working Principle of DC Generator
- EMF Equation of DC Generator
- Derivation of EMF Equation DC Generator
- Types of DC Generators
- Working Principle of DC Motor
- Back EMF in DC Motor
- Types of DC Motors
- Losses in DC Machines
- Applications of DC Machines
- More on DC Machines
- DC Generator
- DC Generator Armature Reaction
- DC Generator Commutator Action
- Stepper vs DC Motors
- DC Shunt Generators Critical Resistance
- DC Machines Commutation
- DC Motor Characteristics
- Synchronous Generator Working Principle
- DC Generator Characteristics
- DC Generator Demagnetizing & Cross-Magnetizing
- DC Motor Voltage & Power Equations
- DC Generator Efficiency
- Electric Breaking of DC Motors
- DC Motor Efficiency
- Four Quadrant Operation of DC Motors
- Open Circuit Characteristics of DC Generators
- Voltage Build-Up in Self-Excited DC Generators
- Types of Armature Winding in DC Machines
- Torque in DC Motors
- Swinburne’s Test of DC Machine
- Speed Control of DC Shunt Motor
- Speed Control of DC Series Motor
- DC Motor of Speed Regulation
- Hopkinson's Test
- Permanent Magnet DC Motor
- Permanent Magnet Stepper Motor
- DC Servo Motor Theory
- DC Series vs Shunt Motor
- BLDC Motor vs PMSM Motor
- Induction Motors
- Introduction to Induction Motor
- Single-Phase Induction Motor
- 3-Phase Induction Motor
- Construction of 3-Phase Induction Motor
- 3-Phase Induction Motor on Load
- Characteristics of 3-Phase Induction Motor
- Speed Regulation and Speed Control
- Methods of Starting 3-Phase Induction Motors
- More on Induction Motors
- 3-Phase Induction Motor Working Principle
- 3-Phase Induction Motor Rotor Parameters
- Double Cage Induction Motor Equivalent Circuit
- Induction Motor Equivalent Circuit Models
- Slip Ring vs Squirrel Cage Induction Motors
- Single-Cage vs Double-Cage Induction Motor
- Induction Motor Equivalent Circuits
- Induction Motor Crawling & Cogging
- Induction Motor Blocked Rotor Test
- Induction Motor Circle Diagram
- 3-Phase Induction Motors Applications
- 3-Phase Induction Motors Torque Ratios
- Induction Motors Power Flow Diagram & Losses
- Determining Induction Motor Efficiency
- Induction Motor Speed Control by Pole-Amplitude Modulation
- Induction Motor Inverted or Rotor Fed
- High Torque Cage Motors
- Double-Cage Induction Motor Torque-Slip Characteristics
- 3-Phase Induction Motors Starting Torque
- 3-phase Induction Motor - Rotor Resistance Starter
- 3-phase Induction Motor Running Torque
- 3-Phase Induction Motor - Rotating Magnetic Field
- Isolated Induction Generator
- Capacitor-Start Induction Motor
- Capacitor-Start Capacitor-Run Induction Motor
- Winding EMFs in 3-Phase Induction Motors
- Split-Phase Induction Motor
- Shaded Pole Induction Motor
- Repulsion-Start Induction-Run Motor
- Repulsion Induction Motor
- PSC Induction Motor
- Single-Phase Induction Motor Performance Analysis
- Linear Induction Motor
- Single-Phase Induction Motor Testing
- 3-Phase Induction Motor Fault Types
- Synchronous Machines
- Introduction to 3-Phase Synchronous Machines
- Construction of Synchronous Machine
- Working of 3-Phase Alternator
- Armature Reaction in Synchronous Machines
- Output Power of 3-Phase Alternator
- Losses and Efficiency of an Alternator
- Losses and Efficiency of 3-Phase Alternator
- Working of 3-Phase Synchronous Motor
- Equivalent Circuit and Power Factor of Synchronous Motor
- Power Developed by Synchronous Motor
- More on Synchronous Machines
- AC Motor Types
- Induction Generator (Asynchronous Generator)
- Synchronous Speed Slip of 3-Phase Induction Motor
- Armature Reaction in Alternator at Leading Power Factor
- Armature Reaction in Alternator at Lagging Power Factor
- Stationary Armature vs Rotating Field Alternator Advantages
- Synchronous Impedance Method for Voltage Regulation
- Saturated & Unsaturated Synchronous Reactance
- Synchronous Reactance & Impedance
- Significance of Short Circuit Ratio in Alternator
- Hunting Effect Alternator
- Hydrogen Cooling in Synchronous Generators
- Excitation System of Synchronous Machine
- Equivalent Circuit Phasor Diagram of Synchronous Generator
- EMF Equation of Synchronous Generator
- Cooling Methods for Synchronous Generators
- Assumptions in Synchronous Impedance Method
- Armature Reaction at Unity Power Factor
- Voltage Regulation of Alternator
- Synchronous Generator with Infinite Bus Operation
- Zero Power Factor of Synchronous Generator
- Short Circuit Ratio Calculation of Synchronous Machines
- Speed-Frequency Relationship in Alternator
- Pitch Factor in Alternator
- Max Reactive Power in Synchronous Generators
- Power Flow Equations for Synchronous Generator
- Potier Triangle for Voltage Regulation in Alternators
- Parallel Operation of Alternators
- Load Sharing in Parallel Alternators
- Slip Test on Synchronous Machine
- Constant Flux Linkage Theorem
- Blondel's Two Reaction Theory
- Synchronous Machine Oscillations
- Ampere Turn Method for Voltage Regulation
- Salient Pole Synchronous Machine Theory
- Synchronization by Synchroscope
- Synchronization by Synchronizing Lamp Method
- Sudden Short Circuit in 3-Phase Alternator
- Short Circuit Transient in Synchronous Machines
- Power-Angle of Salient Pole Machines
- Prime-Mover Governor Characteristics
- Power Input of Synchronous Generator
- Power Output of Synchronous Generator
- Power Developed by Salient Pole Motor
- Phasor Diagrams of Cylindrical Rotor Moto
- Synchronous Motor Excitation Voltage Determination
- Hunting Synchronous Motor
- Self-Starting Synchronous Motor
- Unidirectional Torque Production in Synchronous Motor
- Effect of Load Change on Synchronous Motor
- Field Excitation Effect on Synchronous Motor
- Output Power of Synchronous Motor
- Input Power of Synchronous Motor
- V Curves & Inverted V Curves of Synchronous Motor
- Torque in Synchronous Motor
- Construction of 3-Phase Synchronous Motor
- Synchronous Motor
- Synchronous Condenser
- Power Flow in Synchronous Motor
- Types of Faults in Alternator
- Miscellaneous Topics
- Electrical Generator
- Determining Electric Motor Load
- Solid State Motor Starters
- Characteristics of Single-Phase Motor
- Types of AC Generators
- Three-Point Starter
- Four-Point Starter
- Ward Leonard Speed Control Method
- Pole Changing Method
- Stator Voltage Control Method
- DOL Starter
- Star-Delta Starter
- Hysteresis Motor
- 2-Phase & 3-Phase AC Servo Motors
- Repulsion Motor
- Reluctance Motor
- Stepper Motor
- PCB Motor
- Single-Stack Variable Reluctance Stepper Motor
- Schrage Motor
- Hybrid Schrage Motor
- Multi-Stack Variable Reluctance Stepper Motor
- Universal Motor
- Step Angle in Stepper Motor
- Stepper Motor Torque-Pulse Rate Characteristics
- Distribution Factor
- Electrical Machines Basic Terms
- Synchronizing Torque Coefficient
- Synchronizing Power Coefficient
- Metadyne
- Motor Soft Starter
- CVT vs PT
- Metering CT vs Protection CT
- Stator and Rotor in Electrical Machines
- Electric Motor Winding
- Electric Motor
- Useful Resources
- Quick Guide
- Resources
- Discussion
Autotransformer Output and Copper Saving
Working of Autotransformer
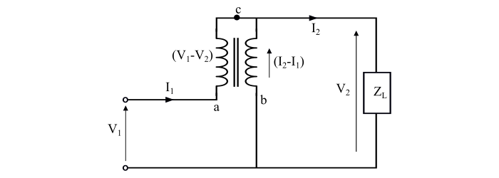
The connection diagram of an ideal step-down autotransformer is shown in the figure. In which the winding ab is the primary winding having N1 turns and the winding bc is the secondary winding having N2 turns. Here, the current I1 is the input primary current and the current I2 is the output secondary current or load current.
Now, the number of turns in the 'ac' portion of the winding is N1 – N2 turns and the voltage across this portion is V1 – V2. The current in the common portion (winding 'bc') of the winding is I2 – I1.
Consider the equivalent circuit of the autotransformer as shown in the figure. From this equivalent circuit, we get,
$$\mathrm{\frac{V_{2}}{V_{1} \: - \: V_{2}} \: = \: \frac{N_{2}}{N_{1} \: - \: N_{2}}}$$
$$\mathrm{\Rightarrow \: N_{1}V_{2} \: - \: N_{2}V_{2} \: = \: N_{2}V_{1}\: - \: N_{2}V_{2}}$$
$$\mathrm{\Rightarrow \: N_{1}V_{2} \: = \: N_{2}V_{1}}$$
$$\mathrm{\Rightarrow \: \frac{V_{2}}{V_{1}} \: = \: \frac{N_{2}}{N_{1}} \: = \: a_{A} \: \dotso \: (1)}$$
The equation (1) is known as the voltage transformation ratio of autotransformer.
Also, from the equivalent circuit of the autotransformer, we have,
$$\mathrm{(V_{1}\: - \:V_{2})I_{1} \: = \: V_{2}(I_{2} \: - \: I_{1})}$$
$$\mathrm{\Rightarrow \: V_{1}I_{1} \: - \: V_{2}I_{1} \: = \: V_{2}I_{2}\: - \:V_{2}I_{1}}$$
$$\mathrm{\Rightarrow \: V_{1}I_{1} \: = \: V_{2}I_{2}}$$
$$\mathrm{\Rightarrow \: \frac{V_{2}}{V_{1}} \: = \: \frac{I_{1}}{I_{2}} \: \dotso \: (2)}$$
From the eqns. (1) and (2), we get,
$$\mathrm{\frac{V_{2}}{V_{1}} \: = \: \frac{N_{2}}{N_{1}} \: = \: \frac{I_{1}}{I_{2}} \: = \: a_{A} \: \dotso \: (3)}$$
As the given autotransformer is ideal one, hence,
$$\mathrm{V_{1}I_{1}\:=\:V_{2}I_{2} \: \dotso \: (4)}$$
$$\mathrm{\Rightarrow \: \text{ Input apparent power = Output apparent power}}$$
Output of an Autotransformer
As the primary and secondary winding of an autotransformer are connected magnetically as well as electrically. Therefore, the power from primary side is transferred to secondary side magnetically (inductively) as well as conductively.
Here,
$$\mathrm{\text{Output apparent power} \: = \: V_{2}I_{2}}$$
$$\mathrm{\text{Power transferred inductively }\: = \:V_{2}(I_{2}\: - \: I_{1})}$$
$$\mathrm{\because \: I_{1}\:=\:a_{A}I_{2}}$$
$$\mathrm{\therefore \: \text{Power transferred inductively } \: = \: V_{2}(I_{2} \: - \:a_{A}I_{2}) \: = \: V_{2}I_{2}(1\: - \:a_{A})}$$
Since,
$$\mathrm{V_{1}I_{1}\:=\:V_{2}I_{2}}$$
Therefore,
$$\mathrm{\text{Power transferred inductively} \: = \: V_{1}I_{1}(1 \: - \: a_{A}) \: = \: Input \: \times \: (1\: - \: a_{A}) \: \dotso \: (5)}$$
The equation (5) gives the amount of power that is transferred magnetically from primary to secondary.
Now, the power transferred conductively is given by,
$$\mathrm{\text{Power transferred conductively} \: = \: \text{ (Input power} ) \: - \: \text{(Power transferred inductively)}}$$
$$\mathrm{\Rightarrow\: \text{Power transferred conductively } \: = \: (Input) \: - \: [Input \: \times \: (1 \: - \: a_{A})]}$$
$$\mathrm{= \: Input \: \times \: (1\: - \:(1\: - \:a_{A}))}$$
$$\mathrm{\text{Power transferred conductively } \: = \: Input \: \times \: a_{A} \: \dotso \: (6)}$$
The equation (6) gives the amount of power that is transferred electrically from primary to secondary.
Saving of Conductor Material (Copper) in Transformer
For the same ratings, i.e., same output and same transformation ratio, an autotransformer needs less conductor material (copper) as compared to an ordinary 2-winding transformer. The figure shows a two winding transformer (left) and an autotransformer (right), both are of same ratings.
The length of the copper wire required in a winding is directly proportional to number of turns in the winding and the cross-sectional area of the wire is directly proportional to the current rating. Therefore, the volume and hence the weight of the copper material required in the winding is directly proportional to the product of the current and the number of turns in the winding i.e.
$$\mathrm{\text{Weight of copper material required } \: \varpropto \: Current \: \times \: \text{Number of turns}}$$
For the 2-winding transformer −
$$\mathrm{\text{Weight of copper required } \: \varpropto \: (I_{1}N_{1} \: + \: I_{2}N_{2})}$$
For the autotransformer −
$$\mathrm{\text{Weight of copper required in section ac} \: \varpropto \: I_{1}(N_{1} \: - \: N_{2})}$$
$$\mathrm{\text{Weight of copper required in section bc} \: \varpropto \: (I_{2} \: - \: I_{1})N_{2}}$$
Therefore,
$$\mathrm{\text{Total Weight of copper required} \: \varpropto [I_{1}(N_{1} \: - \: N_{2}) \: + \: (I_{2} \: - I_{1})N_{2}]}$$
Now, comparing the weight of copper required by the autotransformer and the 2-winding transformer, we get,
$$\mathrm{\frac{W_{a}}{Wo} \: = \: \frac{[I_{1}(N_{1} \: - \: N_{2}) \: + \: (I_{2} \: - \: I_{1})N_{2}]}{(I_{1}N_{1} \: + \: I_{2}N_{2})}}$$
Here,
Wa − Weight of cu required in autotransformer
Wo − Weight of cu required in 2 - winding transformer
$$\mathrm{\Rightarrow \: \frac{W_{a}}{W_{o}} \: = \: \frac{I_{1}N_{1} \: - \: I_{1}N_{2} \: + \: I_{2}N_{2} \: - I_{1}N_{2}}{I_{1}N_{1} \: + \: I_{2}N_{2}} \: = \: \frac{I_{1}N_{1} \: + \: I_{2}N_{2} \: - \: 2I_{1}N_{2}}{I_{1}N_{1} \: + \: I_{2}N_{2}}}$$
$$\mathrm{\Rightarrow \: \frac{W_{a}}{W_{o}} \: = \: 1 \: - \: \frac{2I_{1}N_{2}}{I_{1}N_{1} \: + \: I_{2}N_{2}}}$$
$$\mathrm{\because \: I_{2}N_{2} \: = \: I_{1}N_{1}}$$
$$\mathrm{\Rightarrow \: \frac{W_{a}}{W_{o}} \: = \: 1 \: - \: \frac{2I_{1}N_{2}}{2I_{1}N_{1}} \: = \: 1 \: - \: \frac{N_{2}}{N_{1}} \: = \: (1 \: - \: a_{A})}$$
Therefore, the weight of copper material required in an autotransformer is
$$\mathrm{W_{a} \: = \: (1 \: - \: a_{A}) \: - \: W_{o} \: \dotso \: (7)}$$
Thus, the saving of copper material in an autotransformer as compared to a 2-winding transformer is given by,
$$\mathrm{\text{Saving of copper material } \: = \: W_{o} \: - \: W_{a} \: = \: W_{o} \: - \: (1 \: - \: a_{A})W_{o}}$$
$$\mathrm{\Rightarrow \: \text{Saving of copper material } \: = \: a_{A} \: \times \: W_{o} \: \dotso \: (8)}$$
The eq. (8) gives the value of saving of copper material in an autotransformer. It is clear that the value of aA of autotransformer is nearer to 1, the greater is the saving of copper material.